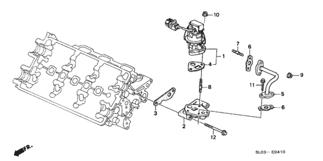
1992 Acura Legend Egr Valve Manual
Diy Egr And Intake Manifold Cleaning Acura Forum Acura

Us 3 7 10 Off Auto Parts Knock Sensor For Acura Rl Honda Civic 5 6 Hr V Legend 1 6 3 5 30530p2ma01 30530 P2m A01 30530 P2m A01 30530 Pv1 A01 In

Egr Block Off Delete Kit Fits Amc Amx Jeep Cj5 Cj7 Japanese Imports Egr5001


Gasket Egr Pipe Ishino Gasket

Details About Egr Valve Standard Egv138

Egr Valve Cleaning Without Dismantling Before After Test
Signs Of A Bad Egr Valve

1999 2008 Acura Tl Haynes Repair Service Workshop Shop

For Suzuki Ignis Mk2 1 3 Ddis 2003 2006 Egr Valve 5851049
Comments
Post a Comment